|
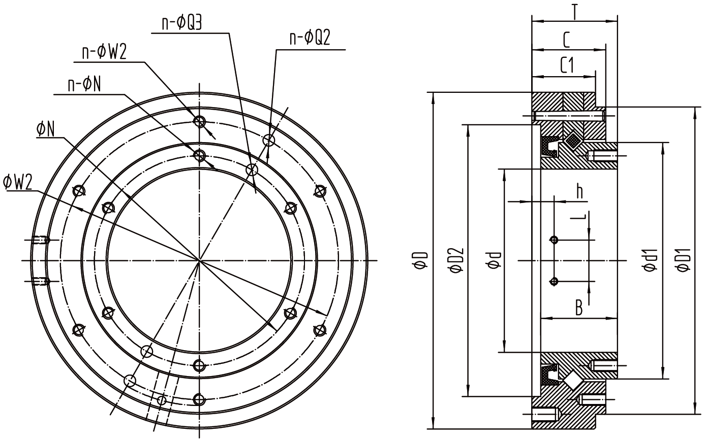
軸承 型號 |
外 形 尺 寸(mm) | 外圈 | 內圈 | 基本額定載荷 | 質量 |
軸承 型號 |
|||||||||||||||||
| 中心徑及安裝孔1 | 中心徑及安裝孔2 | 中心徑及安裝孔 | Cr | Cor | KG | ||||||||||||||||||
| d | D | T | B | C | C1 | D1 | D2 | L | h | W1 | n-ΦW1 | n-ΦQ1 | W2 | n-ΦW2 | n-ΦQ2 | N | n-ΦN | n-ΦQ3 | KN | KN | |||
| ZK60 | 28 | 50 | 24 | 21 | 24 | 21 | 41.5 | / | 14 | 5 | 45 | 6-M3深6 | 2-?3深5 | 45 | 6-M2.5深6 | / | 33 | 6-M2.5深6 | / | 5.1 | 7.1 | 0.18 | ZK60 |
| ZK85 | 33 | 70 | 22.5 | 19.5 | 22.5 | 20 | 58 | / | 14 | 7.5 | 62.5 | 6-M4深8.5 | 2-?5深10 | 63.5 | 6-M3深9 | / | 40 | 6-M3深9 | / | 11.1 | 15.1 | 0.51 | ZK85 |
| ZK130 | 62 | 114 | 29 | 26 | 25 | 21.5 | 104 | 92 | 14 | 7.5 | 104 | 6-M5深8 | 2-?5深7 | 94 | 6-M4深8 | 2-?4深6 | 71 | 6-M4深8 | 2-?4深6 | 19 | 30.1 | 1.2 | ZK130 |
| ZK200 | 100 | 170 | 48 | 43 | 40 | 32 | 166 | 140 | 14 | 8.5 | 155 | 6-M6深10 | 2-?8深8 | 157 | 8-M5深9 | / | 110 | 8-M5深8 | / | 48.5 | 83.6 | 3.9 | ZK200 |
| ZK275 | 135 | 220 | 55 | 51 | 47 | 38 | 203 | 190 | 14 | 8.5 | 205 | 6-M6深12 | 2-?8深12 | 191 | 8-M6深15 | / | 150 | 8-M6深15 | / | 101.6 | 184.9 | 14.5 | ZK275 |


當前位置:

